"We decided to collaborate with P.P. Group as we had the capability to fabricate large jobs to a higher standard than our competitors but lacked necessary space to execute these projects.
Using their available space and 10 tonne crane enables us to take on larger projects allowing us to secure orders almost immediately, marking the beginning of a fantastic working relationship."

The Project
Our collaboration with a valued customer facing constraints in craneage and site space, demonstrates the power of strategic partnerships in overcoming operational limitations and achieving superior manufacturing standards.
Our customer had the capability to fabricate large jobs to a higher standard than their competitors but lacked necessary space to execute these projects. This spatial limitation restricted their ability to secure larger orders and expand their business.
During an open day visit to P.P Group, discussions revealed an opportunity for collaboration. By leveraging our available space and 10 tonne crane, we enabled our customer to take on larger projects. This partnership allowed them to secure orders almost immediately, marking the beginning of a fantastic working relationship.
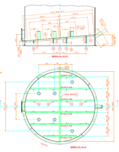
Below is an example of one of seven tanks on the project.


Process Improvements:
Optimised Fabrication Drawings: Utilising our extensive CAD expertise, we meticulously analysed their fabrication drawings to identify opportunities for time savings. We implemented the following improvements:
- Etch Marking: Positions for all ancillary pieces were etch marked on the tanks, removing hours of fabrication time and eliminating the chance of human error. Breaking down drawings we ensured all seams were staggered and orientation marks were etched to keep the process simple.
- Stitch Cutting: We stitch cut all hole positions in the tanks to maintain the quality of cut-outs while eliminating the need for manual marking and cutting, further saving time and enhancing precision.
- Traceability: Our entire production process is driven by our in house ERP system with support from our development team, Steel Software Solutions Ltd. This means every profile has full traceability. On this project every part number was etched, not only saving time but maintaining traceability, as well as every heat number to ensure all components can be traced back to their parent material.

Just-In-Time Production: Adopting a Just-In-Time production approach, we profiled to the match the build schedule precisely. This not only facilitated cash flow management but also ensured timely production, aligning perfectly with the project timelines.
In-House Rolling and Pressing: All rolling and pressing tasks were completed using our in-house facilities. The components were then delivered as per the Bill of Materials to their fabricator working in our bay, ensuring a seamless workflow and uninterrupted progress.
Storage and Post-Processing: Upon completion, tanks were moved to our yard for pickling and passivation. They were held in storage until the end user was ready to receive them, ensuring the products were delivered in optimal condition.
The Result
The collaboration resulted in immediate order acquisitions for our customer, showcasing the effectiveness of addressing space constraints through strategic partnerships. The enhancements in the fabrication process, combined with precise timing and efficient workflow management, led to significant time savings and reduced risk of human error. The project not only met but exceeded the end user’s expectations, solidifying our customer’s reputation for high-quality manufacturing.
Got a project in mind?
Contact Us